Berawal dari perkiraan dalam benak saja, bila kemungkinan besar Driver Amplifier yang ramai dipublikasikan di dunia maya dengan nama Yamaha P-2400 bakal menghasilkan kualitas audio yang bisa diandalkan, akhirnya eleKATRO mencoba untuk menukil skema tersebut. Tentunya dengan mengganti tipe tipe transistor yang kemungkinan besar akan sulit ditemukan di pasaran dengan tipe transistor yang mudah diperoleh. Walau dalam benak juga masih ada pertanyaan bila skema yang dipublikasikan itu benar benar sama persis dengan yamaha originalnya atau ada perbedaan, untuk kasus yang ini sementara ini eleKATRO benar benar tidak tahu dan mungkin akan selamanya tidak tahu.
Kupas skema Yamaha P-2400 pun segera dilaksanakan, lanjut dengan eksperimen merangkai menggunakan PCB Sundel Bolong dan dengan Transistor apa adanya yang sedang tersedia dalam laci komponen butut, dan berhasil sudah dalam kurun waktu lebih dari satu jam.
Berikutnya Driver yang baru selesai itu ditugaskan untuk menggantikan sementara driver yang tengah terpasang di sistem sound enggak bermutu milik eleKATRO, glerrrrr bass jauh lebih muantappp dibanding yang selama ini dipakai (simpleKATRO).
Selanjutnya eleKATRO beranjak ke dapur untuk mengambil air minum, dengan sambil menutup semua pintu akses dari runag eksperimen menuju dapur. Duduk dulu sebentar disana, sambil mengamati audio musik yang sedang play .... geleng geleng kepala karena suara bass yang di ruang eksperimen jauh lebih mantap dibanding driver simpleKATRO ternyata tinggal audio middle saja yang sampai ke dapur, berbading terbalik 180o dibanding simpleKATRO yang terasa ringan bass di ruang eksperimen dan nada rendah tetap sampai dengan baik di dapur bahkan hingga sekian jauh di luar rumah.
Sudah jelas ama sekali bukan karena skema Yamaha p-2400 yang tidak bagus, lihat saja sendiri tipe tipe transistor yang ada pada skema Yamaha P-2400 itu, bila anda tergolong personel yang bisa mendapatkan tipe tipe transistor dan juga bisa mensupply tegangan diatas 45VAC sebaiknya gunakan saja skema asli tersebut.
Soal bass tidak bisa lari jauh pada eksperimen, itu semua pasti karena semua transistor yang eleKATRO gunakan jauh dari kata memenuhi syarat dari rekomendasi skema originalnya, ditambah lagi eksperimen hanya dengan menggunakan tegangan 10A - 29VAC (miskin Power Supply ... hehehe), aslinya sih trafo 10A-32V ... tapi karena sesuatu dan lain hal menyebabkan bisa dipakai bila disaring dengan resistor minimum 33Ω, hingga akhirnya hanya bisa mendapatkan 29V, gak papa lah (sambil menunggu donasi trafo dari pembaca >>> becanda), dari pada gak punya sama sekali.
Karena sedang cukup banyak kegiatan darat yang cukup menyita energi otak, hinga eksperimen gagal itu perbaikannya ditunda dulu.
======
Demi sedikit demi sedikit bisa menambah potingan blog guruKATRO yang sedang disiapkan khusus membahas masalah elektronika dengan nama eleKATRO ini, hari ini mumpung hari libur dilanjutkanlah eksperimen pencarian solusi agar bass bisa lari jauh, paling tidak sama dengan simpleKATRO syukur syukur bisa melebihi.
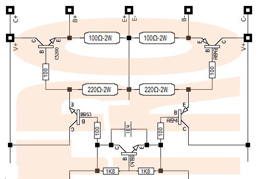
Skema Yamaha P-2400 setelah di sesuaikan oleh eleKATRO dan berganti nama menjadi yamaKATRO, seperti ini :
Transistor Driver yang aslinya menggunakan A1962 vs C5242, diganti dg A1941 vs C5200, dan pada eksperimen hanya menggunakan TIP2955 vs TIP3055
Transistor bias yang aslinya menggunakan A1930 vs C5131 diganti dengan A1941 vs C5198, dan pada eksperimen hanya menggunakan A1837 vs C4793
Transistor Pre-amp dan supply pre-amp yang aslinya menggunakan MPSA92, semua diganti dengan MJE350, dan pada eksperimen hanya menggunakan BD140 karena supply saat eksperimen hanya 29VAC.
Detail merangkai driver yamaKATRO dimulai dari :
1. Transistor driver :
boleh menggunakan TR A1943-C5200 atau A1216-C2922 atau 2955-3055
C+ langsung menuju paralel kolektor Final NPN (C5200/C2922)
C- langsung menuju paralel kolektor Final PNP (A1943/A1216)
B+ menuju paralel basis Final NPN,
B- menuju paralel basis Final PNP
semua paralel basis Final disaring dengan resistor 10Ω
E+ | E- menuju paralel emitor Final semuanya (NPN dan PNP)
semua emitor final disaring menggunakan resistor 0,5Ω/5W
kedua emitor dipasang R 100Ω/2W menuju saluran speaker
Kolektor A1941 langsung ke - dan kolektor C5200 langsung ke +
Sebelum ke transistor bias, basis disaring menggunakan resistor 100Ω
2. Lanjut ke Transistor bias
bisa menggunakan TR A1941-C5198 atau A1837-C4793
bila akan menggunakan supply 32VAC kebawah bisa menggunakan TIP41-42
Emitor tersambung ke Basis transistor Driver malalui resistor 100Ω
Kolektor langsung mendapat tegangan dari PSU, sama dengan
Pada beberapa amplifier lain, antar basis transistor bias dihubungkan dengan seri dioda, tapi pada yamaKATRO seri dioda itu diganti dengan sebuah transistor, disini menggunakan C4793, tapi itu tidak mutlak, anda bisa mengganti dengan 3055, atau MJE340 atau bila supply 32VAC anda bisa menggunakan D313 atau TIP31/41, BD139. yang penting masih kategori NPN.
Basis C5198 terhubung ke Kolektor Transistor pembias dan A1941 ke emitor transistor, keduanya setelah melalui resistor 100Ω
antara Kolektor - Emitor transistor pembias di pasang C 104
Basis transistor pembias terhubung ke Emitor dan juga Kolektor setelah dicabang dengan resistor 1K8.
3. Transistor supply Transistor bias
Sebelum membahas itu, silakan sediakan Tegangan sekunder amplifier dengan cara memasang resistor ukuran antara 47Ω hingga 330Ω 2watt
Pada beberapa umumnya amplifier, supply bias biasanya menggunakan seri dua buah resistor dari + menuju basis transistor bias NPN, pada sambungan seri dipasang elko menuju speaker sebagai boostrap.
Disini supply itu menggunakan transistor PNP (A1837) atau sejenisnya
Tegangan + masuk dari + sekunder (+ setelah disaring resistor 100Ω/2watt) melalui Emitor setelah disaring dengan resistor 220Ω/2awtt, lalu akan keluar melalui Kolektor untuk men-supply basis C5198 dan selanjutnya dibiaskan ke basis A1941 oleh transistor pembias (pengganti dioda) yang masuk melalui kolektor dan keluar menuju basis A1941 melalui emitor
Agar transistor supply bias ini bisa bekerja, maka basis diberi tegangan +- melalui resistor 1K dari seri dua dioda yang diadu dengan - setelah disaring dengan seri dua buah resistor 47K/2watt
sebenarnya dioda kaca IN4148 saja sudah cukup (pada gambar menggunakan IN4007) hanya dengan alasan banyak sekali diambil dari lampu TL jari yang sudah rusak ... lumayan gak usah beli.
4. Transistor penguat pre-amp
disini menggunakan C4793, tapi anda boleh menggunakan MJE340 atau bila supply hanya 32VAC kebawah, bisa menggunakan DB139
Transistor ini bertugas menguatkan sinyal audio dari transistor pre-amp (non-inverting input = dibahas nanti dibawah ini) untuk kemudian dikirimkan ke basis A1941
Basis menerima sinyal audio dari pre-amp
Kolektor melanjutkan sinyal audio yang sudah dikuatkan ke basis A1941
Emitor bertugas sebagai common mendapat tegangan - sekunder setelah disaring dengan resistor 220Ω/2watt
5. Transistor Pre amp non-inverting (input audio)
Bisa tidak bisa mesti tiga transistor sekalian, karena yang satu transistor pre-amp input itu sendiri, dan du ayang lainnya sebagai supply Kolektor dan Emitor nya
ketiganya MJE350 atau bisa juga 2N5401 atau bila tengangan 32VAC kebawah bisa menggunakan BD140 atau A733
5.a. Basis transistor pre-amp diberi umpan 22K dari GND dan disaring elko 1uF untuk menerima input audio, pada bagian input dijumper dengan capasitor 102 menuju GND untuk menepis tegangan overhigh
5.b. Kolektor transistor pre-amp mengirim sinyal audio menuju Basis transistor penguat dengan saringan resistor 100Ω
dan diberi tegangan - sekunder melalui C MJE supply
5.b.1 Transistor supply C mengambil tegangan - sekunder dengan emitor melalui resistor 560Ω dan dikirim ke C transistor pre amp melalui Kolektor. Agar transistor ini bekerja dengan baik, maka basis diberi tegangan - sekunder juga, tapi kali ini melalui seri resiostor 560Ω dengan dioda.
... perhatikan ...
dari basis menuju kolektor ada seri resistor 100Ω dengan C 223 .... kayaknya untuk meningkatkan nada tinggi inih!!!
jadi bila terjadi over treble coba lepaskan seri R-C ini. atau mungkin malah untuk nada rendah ????
silakan eksperimen sendiri sendiri
5.b.2 Transistor supply E
mengambil tegangan + sekunder dengan saringan resistor 560Ω, dam mengirim tegangan ke kolektor transistor pre-amp melalui Kolektor dengan saringan resistor 10K. Basis nya memperoleh tegangan dari tegangan -+ yang sudah ada untuk supply bisa dengan saringan resistor 1K juga. lihat nomor 3 diatas pada teks miring.
6. Transistor pre-amp inverting
bagian ini eleKATRO batasi dengan garis berwarna biru
Kolektor mendapat asupan tegangan - setelah disaring dengan seri Dioda dan Resistor 560Ω (rangkaian seri D-R ini sudah dibuat pada nomor 6 untuk basis transistor supply C)
Emitor disatukan dengan Emitor transistor pre-amp non-inverting
Basis dihubungkan ke speaker dengan saringan resistor 1K, dan juga dihubungkan ke GND setelah disaring seri Resistor 10Ω dengan Capasitor (elko) 1000uF
NB :
R-C yang asalnya 560Ω-33uF inilah yang asalnya membuat bass berada ditempat, dan setelah eleKATRO ganti dengan R-C = 10Ω-1000uF bass menjadi lari jauh walau hanya di supply dengan tengangan 29VAC atau sekitar 38VDC
7. Elko perata tegangan sekunder
menggunakan ukuran antara 10uF hingga 1000uF, ini akan berdampak pada kualitas bass dan juga pada hentakan suara saat amplifier di ON/OFF
Mau coba pakai komponen versi elekKATRO, atau mau coba dengan skema dan komponen orisinil ??? silakan tentukan sendiri sendiri
Kupas skema Yamaha P-2400 pun segera dilaksanakan, lanjut dengan eksperimen merangkai menggunakan PCB Sundel Bolong dan dengan Transistor apa adanya yang sedang tersedia dalam laci komponen butut, dan berhasil sudah dalam kurun waktu lebih dari satu jam.
eksperimen ini sudah di share di FB beberapa hari yang lalu
Berikutnya Driver yang baru selesai itu ditugaskan untuk menggantikan sementara driver yang tengah terpasang di sistem sound enggak bermutu milik eleKATRO, glerrrrr bass jauh lebih muantappp dibanding yang selama ini dipakai (simpleKATRO).
Selanjutnya eleKATRO beranjak ke dapur untuk mengambil air minum, dengan sambil menutup semua pintu akses dari runag eksperimen menuju dapur. Duduk dulu sebentar disana, sambil mengamati audio musik yang sedang play .... geleng geleng kepala karena suara bass yang di ruang eksperimen jauh lebih mantap dibanding driver simpleKATRO ternyata tinggal audio middle saja yang sampai ke dapur, berbading terbalik 180o dibanding simpleKATRO yang terasa ringan bass di ruang eksperimen dan nada rendah tetap sampai dengan baik di dapur bahkan hingga sekian jauh di luar rumah.
Sudah jelas ama sekali bukan karena skema Yamaha p-2400 yang tidak bagus, lihat saja sendiri tipe tipe transistor yang ada pada skema Yamaha P-2400 itu, bila anda tergolong personel yang bisa mendapatkan tipe tipe transistor dan juga bisa mensupply tegangan diatas 45VAC sebaiknya gunakan saja skema asli tersebut.
Soal bass tidak bisa lari jauh pada eksperimen, itu semua pasti karena semua transistor yang eleKATRO gunakan jauh dari kata memenuhi syarat dari rekomendasi skema originalnya, ditambah lagi eksperimen hanya dengan menggunakan tegangan 10A - 29VAC (miskin Power Supply ... hehehe), aslinya sih trafo 10A-32V ... tapi karena sesuatu dan lain hal menyebabkan bisa dipakai bila disaring dengan resistor minimum 33Ω, hingga akhirnya hanya bisa mendapatkan 29V, gak papa lah (sambil menunggu donasi trafo dari pembaca >>> becanda), dari pada gak punya sama sekali.
Karena sedang cukup banyak kegiatan darat yang cukup menyita energi otak, hinga eksperimen gagal itu perbaikannya ditunda dulu.
======
Demi sedikit demi sedikit bisa menambah potingan blog guruKATRO yang sedang disiapkan khusus membahas masalah elektronika dengan nama eleKATRO ini, hari ini mumpung hari libur dilanjutkanlah eksperimen pencarian solusi agar bass bisa lari jauh, paling tidak sama dengan simpleKATRO syukur syukur bisa melebihi.
Skema Yamaha P-2400 setelah di sesuaikan oleh eleKATRO dan berganti nama menjadi yamaKATRO, seperti ini :
Transistor Driver yang aslinya menggunakan A1962 vs C5242, diganti dg A1941 vs C5200, dan pada eksperimen hanya menggunakan TIP2955 vs TIP3055
Transistor bias yang aslinya menggunakan A1930 vs C5131 diganti dengan A1941 vs C5198, dan pada eksperimen hanya menggunakan A1837 vs C4793
Transistor Pre-amp dan supply pre-amp yang aslinya menggunakan MPSA92, semua diganti dengan MJE350, dan pada eksperimen hanya menggunakan BD140 karena supply saat eksperimen hanya 29VAC.
Detail merangkai driver yamaKATRO dimulai dari :
1. Transistor driver :
boleh menggunakan TR A1943-C5200 atau A1216-C2922 atau 2955-3055
C+ langsung menuju paralel kolektor Final NPN (C5200/C2922)
C- langsung menuju paralel kolektor Final PNP (A1943/A1216)
B+ menuju paralel basis Final NPN,
B- menuju paralel basis Final PNP
semua paralel basis Final disaring dengan resistor 10Ω
E+ | E- menuju paralel emitor Final semuanya (NPN dan PNP)
semua emitor final disaring menggunakan resistor 0,5Ω/5W
kedua emitor dipasang R 100Ω/2W menuju saluran speaker
Kolektor A1941 langsung ke - dan kolektor C5200 langsung ke +
Sebelum ke transistor bias, basis disaring menggunakan resistor 100Ω
2. Lanjut ke Transistor bias
bisa menggunakan TR A1941-C5198 atau A1837-C4793
bila akan menggunakan supply 32VAC kebawah bisa menggunakan TIP41-42
Emitor tersambung ke Basis transistor Driver malalui resistor 100Ω
Kolektor langsung mendapat tegangan dari PSU, sama dengan
Pada beberapa amplifier lain, antar basis transistor bias dihubungkan dengan seri dioda, tapi pada yamaKATRO seri dioda itu diganti dengan sebuah transistor, disini menggunakan C4793, tapi itu tidak mutlak, anda bisa mengganti dengan 3055, atau MJE340 atau bila supply 32VAC anda bisa menggunakan D313 atau TIP31/41, BD139. yang penting masih kategori NPN.
Basis C5198 terhubung ke Kolektor Transistor pembias dan A1941 ke emitor transistor, keduanya setelah melalui resistor 100Ω
antara Kolektor - Emitor transistor pembias di pasang C 104
Basis transistor pembias terhubung ke Emitor dan juga Kolektor setelah dicabang dengan resistor 1K8.
3. Transistor supply Transistor bias
Sebelum membahas itu, silakan sediakan Tegangan sekunder amplifier dengan cara memasang resistor ukuran antara 47Ω hingga 330Ω 2watt
Pada beberapa umumnya amplifier, supply bias biasanya menggunakan seri dua buah resistor dari + menuju basis transistor bias NPN, pada sambungan seri dipasang elko menuju speaker sebagai boostrap.
Disini supply itu menggunakan transistor PNP (A1837) atau sejenisnya
Tegangan + masuk dari + sekunder (+ setelah disaring resistor 100Ω/2watt) melalui Emitor setelah disaring dengan resistor 220Ω/2awtt, lalu akan keluar melalui Kolektor untuk men-supply basis C5198 dan selanjutnya dibiaskan ke basis A1941 oleh transistor pembias (pengganti dioda) yang masuk melalui kolektor dan keluar menuju basis A1941 melalui emitor
Agar transistor supply bias ini bisa bekerja, maka basis diberi tegangan +- melalui resistor 1K dari seri dua dioda yang diadu dengan - setelah disaring dengan seri dua buah resistor 47K/2watt
sebenarnya dioda kaca IN4148 saja sudah cukup (pada gambar menggunakan IN4007) hanya dengan alasan banyak sekali diambil dari lampu TL jari yang sudah rusak ... lumayan gak usah beli.
4. Transistor penguat pre-amp
disini menggunakan C4793, tapi anda boleh menggunakan MJE340 atau bila supply hanya 32VAC kebawah, bisa menggunakan DB139
Transistor ini bertugas menguatkan sinyal audio dari transistor pre-amp (non-inverting input = dibahas nanti dibawah ini) untuk kemudian dikirimkan ke basis A1941
Basis menerima sinyal audio dari pre-amp
Kolektor melanjutkan sinyal audio yang sudah dikuatkan ke basis A1941
Emitor bertugas sebagai common mendapat tegangan - sekunder setelah disaring dengan resistor 220Ω/2watt
5. Transistor Pre amp non-inverting (input audio)
Bisa tidak bisa mesti tiga transistor sekalian, karena yang satu transistor pre-amp input itu sendiri, dan du ayang lainnya sebagai supply Kolektor dan Emitor nya
ketiganya MJE350 atau bisa juga 2N5401 atau bila tengangan 32VAC kebawah bisa menggunakan BD140 atau A733
5.a. Basis transistor pre-amp diberi umpan 22K dari GND dan disaring elko 1uF untuk menerima input audio, pada bagian input dijumper dengan capasitor 102 menuju GND untuk menepis tegangan overhigh
5.b. Kolektor transistor pre-amp mengirim sinyal audio menuju Basis transistor penguat dengan saringan resistor 100Ω
dan diberi tegangan - sekunder melalui C MJE supply
5.b.1 Transistor supply C mengambil tegangan - sekunder dengan emitor melalui resistor 560Ω dan dikirim ke C transistor pre amp melalui Kolektor. Agar transistor ini bekerja dengan baik, maka basis diberi tegangan - sekunder juga, tapi kali ini melalui seri resiostor 560Ω dengan dioda.
... perhatikan ...
dari basis menuju kolektor ada seri resistor 100Ω dengan C 223 .... kayaknya untuk meningkatkan nada tinggi inih!!!
jadi bila terjadi over treble coba lepaskan seri R-C ini. atau mungkin malah untuk nada rendah ????
silakan eksperimen sendiri sendiri
5.b.2 Transistor supply E
mengambil tegangan + sekunder dengan saringan resistor 560Ω, dam mengirim tegangan ke kolektor transistor pre-amp melalui Kolektor dengan saringan resistor 10K. Basis nya memperoleh tegangan dari tegangan -+ yang sudah ada untuk supply bisa dengan saringan resistor 1K juga. lihat nomor 3 diatas pada teks miring.
6. Transistor pre-amp inverting
bagian ini eleKATRO batasi dengan garis berwarna biru
Kolektor mendapat asupan tegangan - setelah disaring dengan seri Dioda dan Resistor 560Ω (rangkaian seri D-R ini sudah dibuat pada nomor 6 untuk basis transistor supply C)
Emitor disatukan dengan Emitor transistor pre-amp non-inverting
Basis dihubungkan ke speaker dengan saringan resistor 1K, dan juga dihubungkan ke GND setelah disaring seri Resistor 10Ω dengan Capasitor (elko) 1000uF
NB :
R-C yang asalnya 560Ω-33uF inilah yang asalnya membuat bass berada ditempat, dan setelah eleKATRO ganti dengan R-C = 10Ω-1000uF bass menjadi lari jauh walau hanya di supply dengan tengangan 29VAC atau sekitar 38VDC
7. Elko perata tegangan sekunder
menggunakan ukuran antara 10uF hingga 1000uF, ini akan berdampak pada kualitas bass dan juga pada hentakan suara saat amplifier di ON/OFF
Mau coba pakai komponen versi elekKATRO, atau mau coba dengan skema dan komponen orisinil ??? silakan tentukan sendiri sendiri










Komentar
Posting Komentar